Add Supply/Return Plenum Tool

 

Plenums may be used to model building features such as ceiling or floor voids which are used to supply or return centrally conditioned air. Supply and return plenums are essentially uncontrolled building zones incorporated within the supply and return paths of air loop demand side sub-loops. Plenums can account for building side heat balance, that is they can transfer heat with other zones through surfaces, but they cannot incorporate HVAC equipment.

 

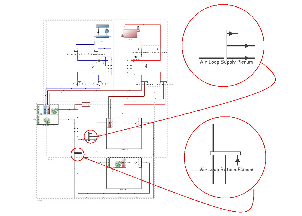
HVAC air plenums are special types of component since there is a heat balance connection and building description and a system airflow connection that transfers the airflow directly from a supply plenum to a controlled zone or from a controlled zone to a return plenum in the system air simulation.

Placing plenums

When an air loop is first placed, a splitter and mixer component is automatically included on the supply and return sides respectively. The normal way to place a supply plenum is to first delete the original splitter component and replace it with a supply plenum component. Likewise to include a return plenum, first delete the original mixer component and replace it with a return plenum component.

 

To place a supply or return plenum, click on the Add supply plenum or Add return plenum tool and click the mouse button when the plenum is at the required location. After clicking the mouse button, you can then rotate the plenum to its final orientation by moving the mouse in a circular direction around the centre of the component:

 

 

Connecting plenums

When you first place a plenum it will be shown on the HVAC layout diagram in light grey indicating that it does not yet have a building zone allocated to it and so cannot yet be connected up. So the first thing to do having placed a supply or return plenum is to assign a building zone to the Plenum component.

 

Finished system with supply and return plenums

Note: Each air loop demand sub-loop can contain a single return plenum but can incorporate an additional supply plenum to cater for dual duct systems.