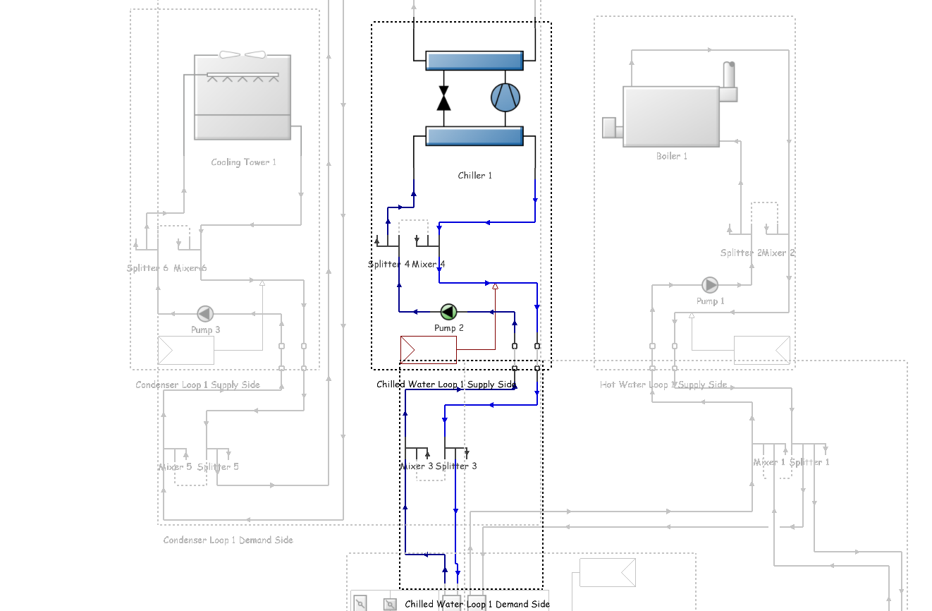
Chilled Water Plant Loop

The chilled water plant supply sub-loop incorporates one or more chillers connected in either series or parallel, flow splitter and flow mixer together with a circulating pump.

 

By default, the chiller has a water cooled condenser and connections are included to enable the condenser to be connected up to a condenser loop. Air cooled chillers can also be selected.

 

The sub-loop also includes a scheduled temperature setpoint manager which is set up by default to control the off-plant temperature at a constant 6.0°C.

 

The demand sub-loop incorporates a flow splitter and flow mixer in order that the loop can be connected to cooling plant components. The image below shows a chilled water loop connected to a water cooling coil.

 

 

See also: