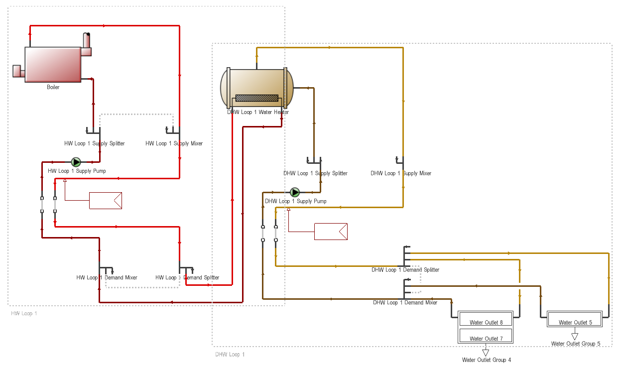
Domestic Hot Water Plant Loop

The domestic hot water (DHW) plant supply sub-loop incorporates one or more water heaters connected in series or parallel, flow splitter and flow mixer together with a circulating pump.

 

The sub-loop also includes a scheduled temperature setpoint manager which is set up by default to control the off-plant temperature at a constant 55°C.

 

The demand sub-loop incorporates a flow splitter and flow mixer in order that the loop can be connected to hot water outlets.

 

The screenshot below shows a typical DHW application with a hot water plant loop connected to DHW loop with a water outlet group.

 

 

Another common DHW loop configuration uses an Air Source Heat Pump on the supply side as shown below:

 

 

See also: