HVAC Zones and Zone Groups

HVAC zone groups are used to simplify HVAC layouts by grouping together zones that have identical configurations of HVAC equipment but not necessarily the same equipment ratings. Consequently, only a single set of equipment items needs to be added to the group and only one set of connections between air/plant loops and zone group equipment need to be established.

 

See the HVAC zone groups and components tutorial

As an example, consider a building model where five ground floor zones are to be cooled and ventilated using a VAV box without reheat supplied by a single AHU and the zones are to be heated using radiators supplied by the same heating circuit. A single zone group can be used to incorporate the equipment for the five zones within the HVAC layout.

 

From HVAC System level, a zone group can be placed and then edited to include the ground floor zones:

 

 

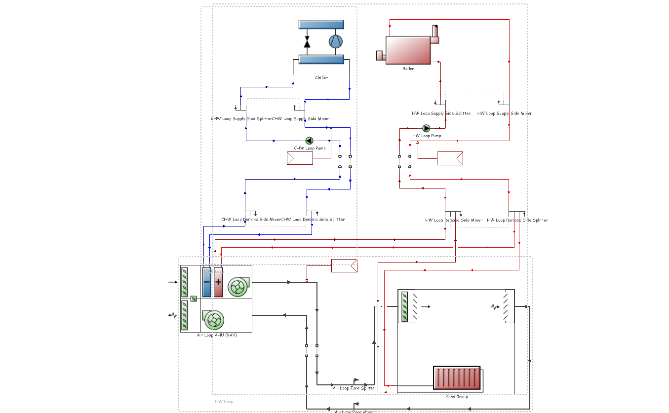
After adding the zones, the zone group becomes active and you can navigate down to it, either by double-clicking on the graphic in the Edit screen or by selecting it from the navigator. At the zone group level, you can see all of the zones added to the group:

 

 

You can then navigate down to any one of the zones to add the required equipment:

 

 

Now when you move back up to the zone group level, you will notice that the zone equipment has automatically been added to all zones in the group:

 

 

You can now navigate down to equipment in any zone to change the equipment default settings:

 

 

At the system level, only one set of connections is required to connect the equipment in all of the constituent zones up to the air and plant loops:

 

 

When data is written to the EnergyPlus IDF file prior to simulation, all constituent zones, zone equipment and zone equipment connections are written out separately.

 

See also:

 

Edit HVAC zone data.