A single physical water-to-water heat pump could potentially provide either heating only, cooling only or both heating and cooling. These 3 heat pump configuration types can be represented in DesignBuilder using Heat pump - heating and/or Heat pump - cooling components connected to hot and chilled water plant loops respectively. Where both heating and cooling are provided by the same physical heat pump both heating and cooling heat pumps must be included in the HVAC layout and the data entry for the heat pumps (especially flow rates), must be coordinated.
The Supply side of the heat pump may be connected to one of the following components:
The schematic diagram below shows the layout and piping diagram of the water-to-water heat pump.
Ground source heat pumps systems are essentially made up of two loops (heating or cooling only cases) or three loops (combined heating and cooling):
In addition to the above mandatory loops, the system may also require extra loops such as air loops for specific room/block applications.
Tip: You are advised to work through the GSHP Example before attempting to model these systems for the first time.
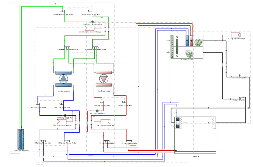
The screenshot below shows a typical GSHP layout diagram.
You can learn more about practical aspects of GSHP design and simulation for project work by watching our webinar: Design and Modelling of Ground Source Heat Pump Systems
Component descriptions:
Because GSHPs cannot be autosized in EnergyPlus some care is required in setting up these systems. This section describes a process which ensures correct sizing and provides for correct interaction between the various components involved. The process is as follows:
For more detail on these processes see the GSHP Example.
The EnergyPlus ParameterEstimation model limits the refrigerant used to R22 and the compressor to the reciprocating compressor type. However almost all water-to-water heat pumps presently on the market use refrigerants other than R22 (R22 has been phased out recently for environmental reasons) and equipped with scroll and other compressor types. So catalogue data is no longer available for the ParameterEstimation model.
Also EnergyPlus strongly recommend using the EquationFit model instead of ParameterEstimation for efficient and reliable modelling,
For these reasons DesignBuilder currently only provides the EquationFit water-to-water heat pump model.
The Equation Fit model uses four non-dimensional equations or curves to predict the heat pump performance. The same method is used in both cooling and heating modes.
The performance data used in the Equation Fit method is derived from manufacturers data through a pre-process step in which the generalized least square method is used to generate a set of performance coefficients from manufacturer's catalogue data at indicated reference conditions. This is done in an EnergyPlus spreadsheet. Then the calculated coefficients and indicated reference conditions are entered on the heat pump dialog in the model to simulate the heat pump performance. A library of templates containing pre-defined manufacturers heat pump data is provided to allow an early stage analysis to be carried out without specific project equipment being specified.
The variables that influence the water-to-water heat pump performance include load side entering water temperature, source side entering water temperature, source side water flow rate and load side water flow rate. The governing equations for the cooling and heating modes are as follows:
Cooling Mode
Heating Mode:
Assuming no losses, the source side heat transfer rate for cooling and heating mode is calculated as:
Qsource,c = Qc + Powerc
Qsource,h = Qh - Powerh
Where:
A1-D5 EquationFit curve coefficients for the cooling and heating mode
Tref Reference temperature (using fixed 283.15K)
TL,in Load side entering water temperature (K)
TS,in Source side entering water temperature (K)
V ̇L Load side volumetric flow rate (m3/s)
V ̇S Source side volumetric flow rate (m3/s)
VL,ref Reference load side volumetric flow rate (m3/s)
V S,ref Reference source side volumetric flow rate (m3/s)
Qc Load side heat transfer rate (cooling mode) (W)
Powerc Power consumption (cooling mode) (W)
Qsource,c Source side heat transfer rate (cooling mode) (W)
Qh Load side heat transfer rate (heating mode) (W)
Qh,ref Reference load side heat transfer rate (heating mode) (W)
Powerh Power consumption (heating mode) (W)
Powerh,ref Reference power consumption (heating mode) (W)
Qsource,h Source side heat transfer rate (heating mode) (W)